Заголовок:
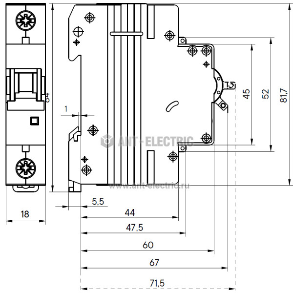
Авт. выкл. 1P 25А C 6kA модульный YON MD63
Авт. выкл. модульный YON MD63 1P 25А C 6kA
Автоматический выключатель модульный однополюсный (однофазный) 1 полюсный хар-ка C (характеристика, кривая С) на 25 А 25 A 6кА
ГОСТ IEC 60898-1
Номинальное напряжение: 230/400 В, 50 Гц
Отключающая способность: 6 kA
Крепление: на DIN-рейку
Вес: 130 г
Раздел: однополюсные (1-полюсные) однофазные автоматические выключатели (автоматы) с характеристикой (кривой) на тип, х-ка, хар-ка ампер 1п/25а 1п/25 а, 1 п/25 а, 1п 25а, 1 п 25 а, 1p/25a, 1p/25 a, 1 p/25 a, 1 p 25 a
Возможные обозначения: MD63-1C25-6, ETM4515899, 1481557, А1706
Производитель: DKC (ДКС)






































