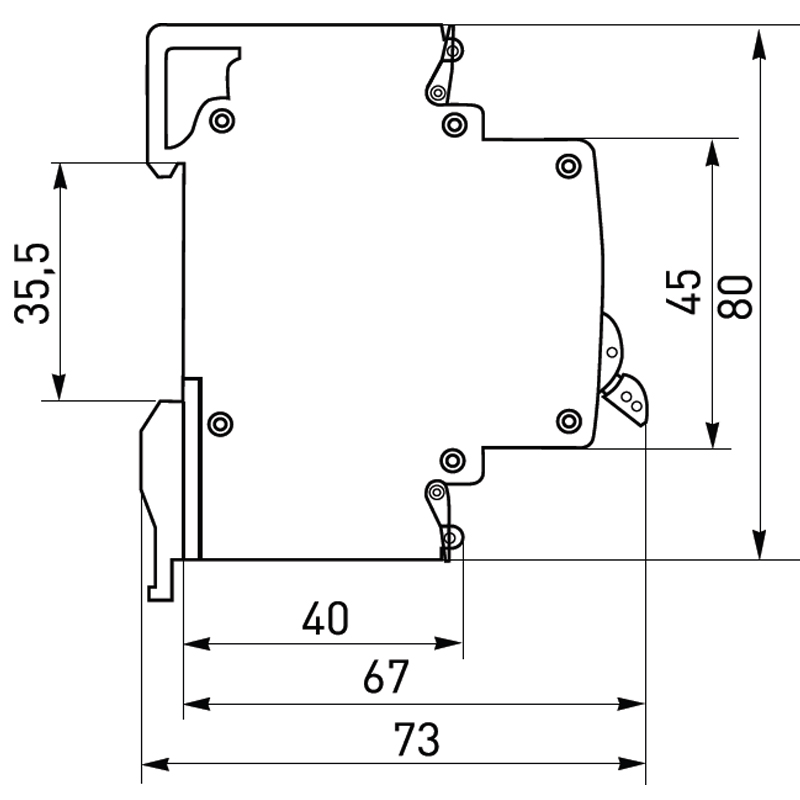
Автомат ВА 47-63 6 кА выполнен в корпусе стандартного автоматического выключателя ВА 47-63 EKF 4,5 кА с возможностью опломбировки, но с внесением значительных технологических изменений во внутреннее устройство изделия и сам корпус.
Автоматические выключатели ВА 47-63 — современное поколение коммутационных аппаратов, предназначены для оперативного управления участками электрических цепей, а так же защиты от токов перегрузки и короткого замыкания в административных, промышленных и жилых зданиях.
Производитель: EKF






























