Датчик движения микроволновый ДДМ-02С 5,8ГГц 1200Вт, 10-720с, 5-15м, 3+лк, 180гр, IP44, TDM
Способ установки: На стену
Мощность нагрузки: 1200 Вт
Дальность обнаружения: 1-8 м (регулируется)
Порог срабатывания: 3 лк – Дневной свет (регулируется)
Угол обзора: 180°
Степень защиты: IP 44
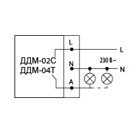
Номинальное напряжение: 230 В
Частота сети: 50 Гц
Несущая частота: 5,8 ГГц
Мощность передатчика: <10 мВт
Максимальная суммарная мощность нагрузки ламп накаливания: 1200 Вт
Максимальная суммарная мощность нагрузки люминесцентных ламп: 600 Вт
Минимальная коммутируемая нагрузка: от 1 Вт
Время отключения: 10 сек – 12 мин (регулируется)
Высота потолка/установки: 1,7-3,5 м
Собственная потребляемая мощность: 0,9 Вт
Цвет: Белый
Назначение:
Для автоматического включения и отключения нагрузки в заданном интервале времени при появлении движущихся объектов в зоне обнаружения датчика и в зависимости от уровня освещенности в однофазных электрических сетях переменного тока напряжением 230В и частотой 50Гц.
Применение:
Управление уличным и внутренним освещением, электроприборами, устройствами сигнализации и др.
Материалы:
Корпус датчика выполнен из не поддерживающего горение пластика.
Конструкция:
Микроволновые датчики движения работают по принципу локации СВЧ излучением «на отражение». Датчики испускают высокочастотные электромагнитные волны с частотой 5,8 ГГц и получают эхо, отраженное от объектов.
Преимущества:
Датчик способен обнаруживать объекты через препятствия: тонкие стены, двери, стекла и др. (в связи с этим возможно спрятать датчик под стеклом прибора, подвесным или натяжным потолком, установить внутри дома перед дверью для обнаружения объектов на улице);
Чувствительность датчика не зависит от температуры окружающей среды (в отличии от инфракрасных, данный датчик сохраняет максимальную дальность обнаружения при температуре окружающей среды свыше 250С);
Датчик способен реагировать на самые незначительные движения объекта (для обнаружения объектов датчиками инфракрасного типа требовалось пересечение им минимум 2-х лучей);
Микроволновый датчик движения обладает более компактными размерами по отношению к инфракрасным датчикам.
Минимальная коммутируемая нагрузка от 1 Вт позволяет использовать датчик с маломощными светодиодными источниками света.
Возможные обозначения: SQ0324-0021
Производитель: TDM Electric (ТДМ Электрик)































