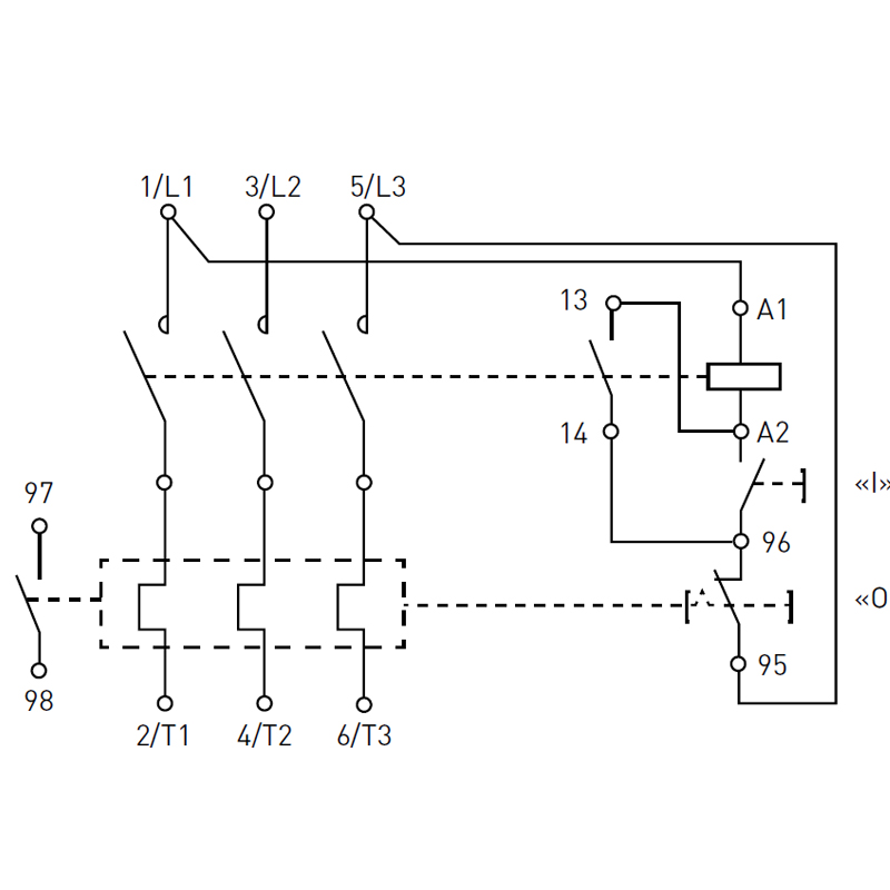
Пускатели магнитные КМЭ являются комплектным устройством, состоящим из малогабаритного контактора КМЭ, теплового реле РТЭ, оболочки с сальниками и кнопок управления.
Пускатели предназначены для дистанционного пуска непосредственным подключением к сети и остановки трехфазных асинхронных электродвигателей с коротко-замкнутым ротором на напряжение переменного тока до 400 В, а также для защиты электродвигателей от перегрузок недопустимой продолжительности и сверхтоков, возникающих при обрыве одной из фаз.
Меньшие габаритные размеры по сравнению с отечественными аналогами.
Степень защиты IP65.
Металлический корпус.
Гарантийные обязательства составляют 5 лет.
Производитель: EKF






























